Есть мнение, что, создавая "Витрувианского человека", Леонардо да Винчи хотел показать совершенство сочетания физической и духовной гармонии. В этом рисунке идеальные архитектурные формы, созданные из кругов и квадратов, ассоциируемых с божественным и земным, непосредственно связаны с пропорциями человеческого тела. Не трудно заметить, что в основе гармонии этих форм лежит симметрия. Которая воспринимается человеком как проявление закономерности, а значит внутреннего порядка и красоты. Всё это свидетельствует о том, что человек является особым творением, шедевром, подтверждающим мастерство его создателя. Который и заложил свою "божественную симметрию" в саму материю Земли, проявляя в том или ином виде в живой и неживой природе. Где она является одной из основных особенностей разнообразия и красоты природы.

Что здесь нарисовано?
Здесь нарисовано ровно то, что написано в названии работы — «Витрувианский человек». Но поскольку сегодня мало кто помнит, что это такое, давайте расшифруем это титулование.
Во времена Юлия Цезаря жил-был в Риме известный архитектор по имени Витрувий. Не известно, реально ли он был великим как строитель. Главная его заслуга перед историей искусства в том, что он написал «Десять книг об архитектуре»: такой огромный компендиум, куда собрал все правила, хитрости и приемчики античной архитектуры, как римской, так и древнегреческой. Дальше он умер, а книге подфартило — она уцелела! С античными книгами, особенно про точные науки, а не про про пошловатую мифологию, это не всегда случалось. В эпоху Возрождения с нее отряхнули средневековую пыль и стали использовать по прямому назначению, как инструкцию.
Плоды сего мы пожинаем до сих пор: это и московский Большой театр, и американские Капитолий с Белым домом, советские станции метро... да куча всего.

Станция метро Электрозаводская (Москва). Фото: Wikimedia Commons (cc)
Помимо описания всяких колонн, пилястр, орнаментов и всяких финтифлюшек чисто архитектурных, Витрувий вдруг еще внезапно, между главами о циклах морозостойкости кирпичей и качестве затирки (шутка), подробно остановился на размерах и пропорциях homo sapiens. Потому что именно от человеческих пропорций и зависит комфортное пребывание внутри интерьера и ощущение от фасадов, что они красивые. Все должно быть соразмерно, тогда подсознанию приятно.
Описана вся эта система пропорций без авторских картинок, только словами. Причем так, что без стакана не разберешься: высота человека составляет четыре локтя от кончиков пальцев (24 ладони), длина руки составляет ⅖ его высоты и так далее. Выведена она была Витрувием на основе античных теорий красоты, прежде всего, канона скульптора Поликлета.
Витрувий бросил эти несколько слов, что здания должны иметь пропорции человека, а тело человека — это модель пропорции. И с вытянутыми руками и ногами тело идеально вписывается сразу в 2 идеальные геометрические фигуры — квадрат и круг.
Для людей эпохи Ренессанса, фанатевших по античным трактатам, как дети по Гарри Поттеру, это высказывание стало практически религиозным догматом, воплощением целой философии. Оно иллюстрировало тезис идеального порядка, красоты, познания эстетики с помощью разума.
Ренессансные люди, еще до Леонардо да Винчи, обсасывали это высказывание Витрувия так и эдак, пытались его нарисовать. Но получалось фигово.

Таккола. Витрувианский человек, 1440-е годы (за полвека до создания рисунка Леонардо)

Франческо ди Джорджио. Витрувианский человек. Ок. 1470.

Джакомо Андреа да Феррара. Витрувианский человек. 1480-90-е годы (?)
Ну сами видите: не выходил каменный цветок. Не впихивался силуэт мужчины в идеальные геометрические круг и квадрат. Это была такая легендарная "теорема Ферма" для ренессансных гуманистов и художников, причем не новенькая, а классическая, потому что книгу Витрувия никогда не теряли, все Средневековье она оставалась доступной для чтения в монастырских библиотеках.
Поэтому когда Леонардо наглядно решил эту "легендарную шахматную загадку", то это вызвало, говоря языком современных журналистов, большой общественный резонанс. Среди интеллектуалов, разумеется.

Оригинал рисунка хранится в венецианской Галерее Академии.
Так что причины славы рисунка таковы:
Во-первых, он смог впихнуть.
Во-вторых, это просто красиво.
В-третьих, все, что делал Леонардо да Винчи вызывало большой интере и при его жизни. А после смерти тем более. Все, чему довелось уцелеть сквозь века, копировалось, растаскивалось на цитаты. А в наши дни — и на сувенирную продукцию.

В скобках обьясню, как именно Леонардо да Винчи смог, а другие нет. Потому что он гений. И знал, где и как передергивать и мошенничать.
Дело в том, что он на самом деле точную инструкцию Витрувия нарушил. Если следовать ей буквально, то получается какой-то мутант: слишком маленькая голова, чрезмерно большие ноги и стопы.

Буквальное следование инструкциям Витрувия: схема художника Чезаре Чезариано, 1521 год
А Леонардо догадался, что для красоты надо расположить круг и квадрат не идеально симметрично, а сдвинув один от другого. А ноги мужчине надо растопырить, поставив на круг: таким образом они становятся на 1/14-ю короче. И вот тогда получается красота и гармония.
***
Сегодня все уже забыли о Витрувии и его пропорциях, о том, что именно восхищало первых зрителей рисунка Леонардо в этой работе. Осталось только наслаждение взгляда от того, как это красиво нарисовано. Ну а поскольку это подлинный "леонардо", то, как и все его работы, в Новейшее время эта картинка стала еще одной поп-иконой, которую лепят везде. А чем чаще тебе показывают что-либо, тем больше ты думаешь, что оно великое, такая вот магия массовой психологии. Витрувианский человек стал таким вот пародируемым логотипом.

Кстати, комиксисты признавались, что Бэтмена они придумали, разглядывая рисунки Леонардо да Винчи с летательными аппаратами, механическими крыльями
shakko - ЖЖ - 29 марта 2020
«Витрувианский человек» — рисунок из серии графических штудий Леонардо да Винчи на тему пропорций и устройства человеческого тела, созданных на рубеже 1480–1490-х годов. Убежденный, что искусство должно опираться на научное знание, художник увлеченно постигал в этот период анатомию, а также зодчество — ведь он работал на правителя Милана Лодовико Сфорца не только как живописец, но и как инженер и архитектор. Штудировал бестселлер Ренессанса — «Десять книг об архитектуре» римлянина Витрувия, жившего в I веке до н. э.
«Витрувианский человек» — иллюстрация к третьей книге этого трактата, в которой перечислены идеальные соотношения частей тела. Считая, что архитектор должен следовать гармонии природы, Витрувий рекомендовал использовать те же пропорции при постройке зданий.
«Витрувианского человека» в эпоху Ренессанса рисовали и другие, однако изображение, созданное Леонардо, наиболее точно соответствует тексту. На том же листе — выдержки из трактата в вольном пересказе художника, написанные зеркальным почерком. Это, по мнению итальянского историка Доменико Лауренцы, свидетельствует, что Леонардо сделал рисунок для себя, а не ради славы: предназначенную для чужих глаз работу он сопроводил бы более удобными для чтения заметками.

1. Почерк. Леонардо нередко делал заметки зеркальным почерком. Николл предположил, что художнику-левше, которого никто не пытался переучить в детстве, было удобнее писать справа налево.
2. Человек. Витрувий считал человеческие пропорции отражением гармонии Вселенной. Леонардо разделял эту точку зрения и называл свои анатомические исследования «космографией микрокосма».
3. Круг. С древних времен эта фигура символизирует универсум и божественное начало.
4. Квадрат. Символ земного начала. Материальный мир, по представлению древних, состоит из четырех стихий, в нем четыре стороны света — столько же сторон у квадрата. Человек, вписанный в круг и квадрат, объединяет в себе земное и небесное. (На рисунке он тоже имеет свой центр. прим ТС)
5. Лицо. Художник еле заметно расчертил его на три равные части, подписав парафразой текста Витрувия: «Расстояние от кончика подбородка до носа и от корней волос до бровей будет одинаково и, подобно длине уха, равно 1/3 лица». Общая длина лица равна длине кисти руки и 1/10 роста человека.
6. Голова и шея. Отмеченное Леонардо расстояние от верхней части груди до макушки должно составлять 1/6 роста.
7. Позы. На рисунке 16 поз, но значимы только две — когда фигура вписана в правильные геометрические фигуры, круг и квадрат, в соответствии с текстом Витрувия: «…если положить человека навзничь с распростертыми руками и ногами и приставить ножку циркуля к его пупку, то при описании окружности линия ее коснется пальцев обеих рук и ног. Точно так же, как из тела может быть получено очертание окружности, из него можно образовать и фигуру квадрата. Если измерить расстояние от подошвы ног до темени и приложить ту же меру к распростертым рукам, то получится одинаковая ширина и длина».
8. Стопа. Четыре ладони, 1/7 роста, записал Леонардо (по Витрувию — 1/6).
9. Палец. Наименьшая единица измерения на рисунке. «Ширина четырех пальцев равна ширине ладони», — приписал художник. Рост человека, как и длина стороны квадрата, равен 96 пальцам.
10. Ладонь. Рост, или длина стороны квадрата, равен 24 ладоням.
11. Локоть (cubitus). «Шесть ладоней составляют один локоть», «четыре локтя — рост человека», — вслед за Витрувием отметил Леонардо и разделил изображение на четыре части.
12. Рука. Художник добавил от себя, что расстояние от локтя до кончиков пальцев равно 1/5 роста, а от локтя до подмышки — 1/8.
13. Пупок. Центр фигуры, вписанной в круг. Неверно мнение, что горизонтальная линия, проведенная через эту точку, разделила бы квадрат по принципу золотого сечения (когда отношение меньшей части к большей равно отношению большей к целому). Такая линия должна проходить выше, а идея о золотой пропорции заинтересовала Леонардо позже, после того как он в 1494 году подружился с математиком Лукой Пачоли.
Жизнь на планете, имея разные формы и размеры, имеет общую черту – симметрию. Только симметрия была не дарована свыше, а сформировалась в процессе эволюции.

Билатера́льная симме́трия моими глазам
Все виды симметрии в природе продиктованы взаимодействием с окружающей средой. Наиболее распространённым типом симметрии является билатеральная симметрия. Это вид симметрии, при котором тело организма можно разделить на две равные половины, являющиеся зеркальным отражением друг друга. Двусторонняя симметрия тела позволяет более точно регулировать движение, контролировать среду обитания и использовать свои органы и части тела эффективно. Билатеральная симметрия тела стала одним из главных ароморфозов.
Ароморфоз — возникновение в ходе эволюции признаков, которые существенно повышают уровень организации живых организмов. Ароморфозы дают большие преимущества в борьбе за существование, открывают возможности освоения новой, прежде недоступной среды обитания.
Она обеспечивает большую адаптивность к изменяющимся условиям. Что особенно важно для животных, которые живут в разнообразных или меняющихся условиях.
Лошади, птицы, лягушки, кошки – практически любые позвоночные, которых мы возьмём, будут двусторонне симметричными. Такая особенность характерна для 99% живых существ, включая и человека.

Уравновешенное, гармоничное соотношение пропорций – это наследие далёких предков. Самыми безупречными, самыми симметричными были первые одноклеточные организмы, зародившиеся в океане, которым приходилось взаимодействовать с окружающей средой во всех направлениях, где ни одно из которых особо не выделялось. Возможно это в такой среде, в которой со всех сторон на тело действуют одни и те же силы. На заре возникновения жизни на Земле (4 миллиарда лет назад) самой идеальной формой жизни была сферическая. То есть тела были сферически симметричны: как их ни поворачивай, они похожи сами на себя. Для них не существовало понятий "право-лево" и "верх-низ", поскольку сила тяжести ничтожна, а окружение одинаково. К тому же шар, при заданном объеме, обладает минимальной площадью поверхности, что достаточно экономно и практично. Пример — радиолярия.

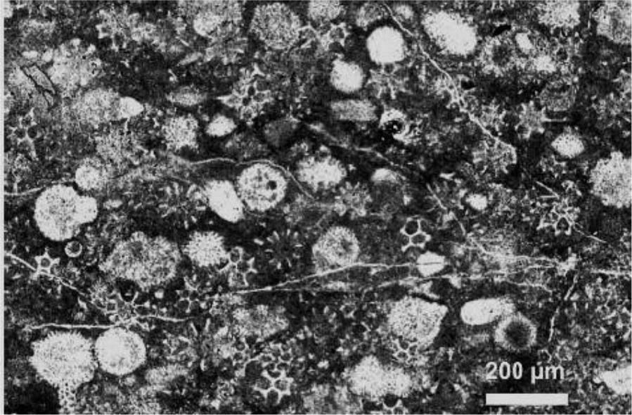
Одноклеточные со скелетом внутри.
Обычно мы не пишем про одноклеточных существ. Кто захочет читать про фигулину, которую никто никогда в жизни не увидит? Но для радиолярии мы сделаем исключение. Это настоящая живая снежинка, что создаёт целые породы!

Иллюстрации за авторством Эрнста Геккеля, открывшего 120 видов радиолярий и отметившегося в целом ряде областей биологии и медицины.
Радиолярии, они же лучевики, — это целая группа одноклеточных организмов, обитающих во всех уголках Мирового Океана. Мы не в состоянии подсчитать даже примерное количество видов.Виной тому их размеры: самые большие животины достигают 0,3 мм в длину, самые мелкие — 0,0001мм!

Радиолярии-зомби взбираются на остриё иглы!
Эти одноклеточные относятся к амебоидным организмам — их оболочка постоянно колеблется и изменяет свои очертания. Но это не значит, что они родственны настоящим амёбам. Аморфная форма тела самостоятельно развивалась у абсолютно неродственных организмов не раз и не два. Я вам больше скажу, радиолярии не родственники даже самим себе! Такая форма тела возникла сразу в нескольких группах одноклеточных.

Говорят, что каждая снежинка уникальная. Каждая биологическая снежинка — тоже!
Мы не знаем, откуда радиолярии взялись, но они существуют не меньше 500 миллионов лет. И за это время успели легендарно наследить в истории Земли. Вы слышали про мел, известняк и радиолярит? Это их псевдоподий дело! А ещё они вложились в кремень, трепел и несколько других пород. Все они полностью или частично состоят из скелета крохотных одноклеточных. Десятки миллионов тонн их останков хранятся на планете и по сей день.

Под микроскопом радиолярит выглядит вот так.
Причина такой прочности — ответственный подход к созданию внутренней брони. Лучевики окружают себя скелетом. Материалы для него они добывают из элементов морской воды: кальция, кремния, стронция. Немного биохимической магии, и они превращаются в опал, кремнезём и целестин — крепкие и устойчивые минералы.

Затем животина выращивает минеральный скелет внутри себя, придавая ему замысловатую форму. Разновидностей внутреннего каркаса — устанешь считать. Нет, серьёзно, люди узнали о радиоляриях больше 150 лет назад, но до сих пор не смогли систематизировать всё разнообразие и сложность форм этих микроживотных. И всё же, кое-что общее у них есть, большинство скелетиков состоит из ажурной капсулы и торчащих во все стороны лучей.

Найдешь хоть парочку одинаковых?
Капсула — это панцирь, защищающий все жизненно важные части организма: ядро, в котором находится до 1600 хромосом (у человека 46), молекулярные фабрики по производству белков и приличные запасы жира. Для лучевиков жир — это не только запас питательных веществ на чёрный день, но и способ уменьшить плотность тела. Тяжёлая броня тянет клетку вниз, а жир выталкивает на поверхность. 1:1.

Тёмные пятна на центральной фотографии – те самые капельки жира.
Снаружи капсула покрыта тонким слоем цитоплазмы, внутриклеточной жидкости, и тонкой, но гибкой и прочной клеточной оболочкой. А лучи-иглы являются каркасом для ложноножек, которые вылавливают из морской воды органические вещества и отправляют их в центр, на переработку. Для совсем уж мелких организмов, радиолярия — опасная морская мина, к которой лучше не приближаться.
Впрочем, питаться одной лишь органической взвесью необязательно. Многие радиолярии заключают союз с хлореллами и зооксантеллами, маленькими одноклеточными водорослями. Те снабжают своих хозяев сахарами, а сами получают относительную безопасность. Хищник не съест тебя, если ты уже внутри него.

Но обилие симбионтов и внутренний скелет усложняют размножение. При бесполом размножении клетка делится на две половины и пытается разделить пополам все свои внутренности. А делить крепко спаянный минеральный скелет пополам — задача не из простых. Есть и альтернативный вариант, половое размножение. Радиолярия превращается в 4 гаметы (читай, половые клетки, у них нет разделения на сперматозоиды и яйцеклетки), каждая из которых имеет по жгутику. Если две гаметы встретятся, маленькая радиолярия начнёт свой жизненный путь и возьмётся за строительство нового скелета.
книга животных - дзен - 2.10.22
Размножение радиолярий и среда их обитания
Процессы размножения радиолярий до сих пор изучены недостаточно, несмотря на то что многие ученые занимались исследованием этих интересных животных. Объясняется это в значительной мере тем, что никому еще не удалось длительное время содержать культуру радиолярий в аквариумах. Эти подлинные «дети моря» не выносят лабораторных условий существования. У некоторых крупных видов, которые имеют скелет, состоящий из отдельных игл, наблюдалось размножение путем деления надвое.
У видов, обладающих сложным монолитным скелетом, такой способ размножения невозможен, так как прочный минеральный скелет не может разделиться на две половинки. По-видимому, у таких видов происходит формирование одноядерных зародышей (бродяжек), подобно тому как это происходит при бесполом размножении фораминифер.
Свойствен ли половой процесс всем радиоляриям, остается неясным. Выяснение этого вопроса требует дальнейших исследований. Дело чрезвычайно усложняется еще и тем обстоятельством, что в теле радиолярий часто живут симбиотические, а иногда и паразитические водоросли и жгутиконосцы. Эти организмы в свою очередь при размножении образуют снабженные жгутиками бродяжки, которые выходят из тела радиолярии.
Не всегда легко бывает решить вопрос, имеем ли мы дело с бродяжками, принадлежащими самой радиолярии, или же с бродяжками живущих в их теле растительных организмов.
Радиолярии являются преимущественно обитателями теплых морей.
berl.ru - 17.09.2008
Но "шариком" можно оставаться только будучи очень маленьким. А в процессе эволюции организмы усложнялись и увеличивали свою массу. И вот тут вступила в действие гравитация. Вернее сила тяжести, действующая на объект, находящийся в гравитационном поле. Из-за неё у живых существ появилась асимметрия по направлению верх – низ. Поскольку сила тяжести действует только по одной оси – верх-низ. Она всё тянет вниз. И живым существам приходится к этому приспосабливаться. Сверху теперь располагались преимущественно органы чувств, рот. Внизу – средства передвижения. Так существа потяжелее перешли на другой уровень симметрии — радиальный. У радиально-симметричных животных есть верхняя и нижняя части, но правой и левой, передней и задней нет. Они совпадают сами с собой при вращении только вокруг одной оси. Малоподвижные создания, занимающиеся "тихой охотой", такие как актиния, гидра или медуза раскрывают свои щупальца во все стороны.

Актинии( Actinaria )или Анемоны
Акти́нии — крупные коралловые полипы, которые в отличие от большинства других кораллов имеют мягкое тело. Их выделяют в отдельный отряд Морских стрекающих из класса Коралловых полипов. (Anthozoa). Представители лишены минерального скелета. Как правило, одиночные формы.

Большинство актиний — сидячие организмы, обитающие на твёрдом морском грунте. Свое второе название, морские анемоны, они получили за необычайную красоту и внешнее сходство с цветами. На верхнем конце тела расположен ротовой диск, окруженный несколькими рядами щупалец. В одном ряду все щупальца одинаковы по цвету, структуре и длине, но в разных рядах они отличаются. Часто на кончиках щупалец находится скопление стрекательных клеток, которые выстреливают тонкими ядовитыми нитями. Ядовитые щупальца служат актиниям орудием нападения и средством защиты. Яд актиний оставляет ожоги на теле жертвы, раны долго заживают, образуются язвы. Хищники ловят рачков, креветок, рыбешку и другую мелочь, парализуя ее ядовитыми нитями. Пищеварительный процесс протекает быстро - уже через 16 часов от рачка остается только раковина. Актинию можно встретить во всех морях и океанах, даже в бассейне Северного Ледовитого океана, но больше всего видов в теплых тропических и субтропических морях.
О дружественном союзе-симбиозе между раком –отшельником и актинией было давно известно. Раки – отшельники являются добычей для осьминогов, но осьминоги обходят актиний. Актинии не передвигаются, поэтому они часто селятся на домике-раковине рака-отшельника и рак носит на себе актинию.
Рак-отшельник — восхитительный засранец и идеальный символ карантина

Странно, что ни одно правительство или здравоохранительная организация мира не придумала для самоизоляции крутой позитивный символ. А ведь он есть, буквально барахтается на поверхности. И это рак-отшельник! Он никогда не покидает своего дома, жрет все, даже гречку, уважает старших, и у него огромный член. Ну разве не идеальный маскот этих дней? Вот вам шесть самых лучших фактов об этом скромном засранце.
У раков-отшельников огромные пенисы — чтобы злодеи не смогли украсть их дом во время секса
Пенис рака-отшельника составляет 2/3 длины его тела и упирается в стены его раковины. Просто представьте такой же у себя — вы сможете заниматься сексом, высунув его из дома и сохраняя необходимую для карантина дистанцию. К сожалению, у раков это не от хорошей жизни. Гигантский член нужен из-за того, что в противном случае им приходилось бы снимать раковину каждый раз во время спаривания. А это чертовски небезопасно, поскольку в обществе отшельников царит тотальное беззаконие. Раки постоянно пытаются своровать друг у друга раковину получше и покрасивее. Стоит одному такому зазеваться — и он останется без дома.

С огромным членом раки-отшельники могут спариваться, не снимая раковин. Самец и самка встают лицом друг к другу, богатырь достает свой член и поливает им яйца самки как из брандспойта. Яйца, к слову, уже загодя отложены внутри защищающей их раковины, словно маленькие живые торпеды внутри субмарины. Это настолько удобно и комфортно, что остается лишь сожалеть о том, что у людей ритуал спаривания столь неоправданно сложен и затянут.
Раки-отшельники — ничерта не отшельники. Они — те еще хулиганы и кутилы
Раки-отшельники носят крайне странное название, если знать, как они живут. Понятное дело, что тут мы имеем дело с шуткой, ведь их раковины похожи на кельи анахоретов. Но на самом деле, эти раки постоянно общаются друг с другом. Они собираются в стаи до сотни засранцев и бузят как на вечеринке: бегают туда-сюда, машут клешнями, с разбегу бьются друг об друга как шары для боулинга и с вожделением пялятся на чужие раковины. Они могут собраться в банду и подкарауливать незадачливого обладателя раритетной раковины. Бедолагу натурально грабят и снимают с него дом, чтобы тут же начать за него драться.
Рак-отшельник добывает себе раковину.
Не так уж сильно утрируя, можно сказать, что для рака-отшельника раковина — это не только дом, но и предмет гордости, источник творчества, да и вообще, объект безграничной любви и поклонения. Без раковины членистоногий кутила не проживет даже сутки, он буквально не сможет нормально дышать. Найдя новый дом, рак начинает его обживать: выскабливает изнутри так, чтобы не натирало и было поудобнее, чинит его и, если повезло, украшает мега-апдейтом — актинией. Вы наверняка видели изображения таких счастливцев: жгучий полип защищает рака от хищников, а рак делится со своим симбионтом едой и ловит завистливые взгляды соседей.
У раков-отшельников спиральное тело — чтобы было комфортнее в раковине
Посмотрите на это фото: здесь рак-отшельник нашел себе раковину из стекла и пытается в ней обжиться. Мы можем увидеть, что тело рака идеально приспособилось к ношению такого дома. Его туловище спиральное, задние лапы редуцированы, чтобы не мешаться, а клешни разного размера. Одна из них, мелкая и ловкая, нужна для того, чтобы подбирать пищу и манипулировать мелкими предметами. Другая, большая и мощная, нужна для самозащиты, неприличных жестов и, к тому же, идеально работает как крышка раковины. В случае опасности рак прячется в дом, а жесткая клешня закрывает его голову сверху — как задраенный люк.
Что не разглядишь на фото — так это того, что задние хилые ножки постоянно двигаются и пошкрябывают, создавая движение воды внутри раковины. Это — своего рода система проветривания: так вода не застаивается, а рак получает возможность нормально дышать.
Раки-отшельники жрут все. Даже овсянку. Даже друг друга!

Раков-отшельников заводят как домашних питомцев и даже разводят в неволе. Во многом это происходит потому, что эти парни невероятно неприхотливы в еде. Они жрут все, что попадается им на пути. Дохлая рыба — пожалуйста. Рыбий помет — только в путь. Черви, овсянка, овощи, бургеры, фо-бо — он как похмельный друг — съест все, даже несвежее и попросит еще. Темная сторона этого обжорства в том, что раки-отшельники могут есть даже друг друга. Так что когда умирает дед-рак (особенно с красивой раковиной), у его соседей начинаются поминки и новоселье разом.
Пальмовый вор — тоже рак-отшельник. Но настолько огромный, что ему не найти раковину

Пальмовый вор — самое крупное наземное членистоногое в мире. Этот гигантский ублюдок выглядит как идеальный материал для новой фобии и может вырасти под полметра длиной и 4 килограмма весом. Но несмотря на сбивающее с толку название и внешность краба, это — все еще рак-отшельник, только на массе. Пальмовые воры растут очень медленно (до 10 см они дорастают только к 5 годам!) так что значительную часть жизни им приходится выживать в раковинах. Будучи мелкими, они даже обладают закрученным в спираль телом, да и вообще выглядят как типичные раки-отшельники.

Но со временем пальмовые воры вымахивают в огромных парней, и найти подходящую раковину им уже не получается. Тогда их тело меняется, становится симметричным и «окрабившимся». Взрослые особи порывают со старыми друзьями и переезжают жить на сушу. Считается, что они залазят на пальмы и скидывают оттуда кокосы (отсюда и название), но это неправда, пальмовые воры просто едят все, что попадется им на пляже. Могут съесть кокос, расколупав его мощными клешнями, а могут и дохлую чайку или прибившую к берегу ногу в кроссовке. Несмотря на то, что пальмовые воры напоминают грязекрабов из Elder Scrolls, жители Тихого океана охотно едят их под пиво.
Владимир Бровин - disgusting men - 31.03.2020



Такое сотрудничество выгодно обеим сторонам. Рак получает защиту и подбирает пищу, которая упала, актиния расширяет ареал обитания и зону охоты.
удивительное животное, которое почти невозможно убить
В древнегреческой мифологии фантастическое существо Гидра Лернейская представляло собой чудовищную девятиголовую змею, которая считалась непобедимой, потому что на месте отрубаемых голов у нее вырастали новые, и потому Гераклу стоило больших трудов ее уничтожить. В природе существует похожее по своим качествам небольшое водное животное, которое в честь своего мифологического «предка» гордо носит имя «гидра».

К какому типу животных относится гидра?
Гидры (с латинского Hydra) относятся к роду пресноводных сидячих кишечнополостных из класса гидроидных. Тип — стрекающие.
Гидра: что за существо?
Тело гидры имеет цилиндрическую форму с ротовым отверстием и щупальцами с одной стороны и подошвой для крепления к опорам с другой. Щупальцев насчитывается от 4 до 12 штук. Само существо гидра, с точки зрения жизненной формы, является полипом: не образует колоний и медуз.

Гидра, как правило, существует одиночно — то есть без колоний Konrad Wothe / Minden Pictures
По внутреннему строению гидра не отличается от других кишечнополостных: тело представляет собой двухслойный мешок, который образует замкнутую кишечную полость. Внешний слой клеток получил название эктодерма, а внутренний — энтодерма. Функцию опоры между ними выполняет мезоглея — специальное студенистое вещество. В состав эктодермы и энтодермы входят несколько разновидностей клеток. Мы расскажем об основных.
- Эпителиально-мускульные клетки. Их в организме гидры больше всего. Эти клетки формируют мускульные волоконца — за счет их сокращений и расслаблений гидра передвигается в воде.
- Стрекательные клетки. Разумеется, основное их число группами (или батареями) находится на щупальцах гидры. В этих клетках располагается капсула со свернутой стрекательной нитью, а чувствительные волоски на ней играют вспомогательную роль. Дело в том, что при касании этих волосков жертвами, из клетки сразу выстреливает стрекательная нить — некоторые нити (в зависимости от клетк, к которой они присоединены) способны впрыскивать яд в нужный гидре организм для пищи.
- Промежуточные клетки. Они как раз и отвечают за регенерацию в организме гидры — кишечнополостное имеет способность восстанавливать утраченные части тела.

Внутреннее и внешнее строение гидры наглядно yaklass.ru
В верхней части цилиндрического тела гидры длиной всего в 1−2 см расположен рот, окруженный венчиком из 5−12 маленьких щупалец, с помощью которых она постоянно охотится за добычей, и которые обладают способностью регенерироваться также, как и лучи у морских звезд, если эти щупальца отрезать или оторвать.
Как размножается гидра?
Гидра, как простейшее, способна размножаться как половым, так и бесполым путем. Все зависит от внешних условий. В большинстве случаев почкование происходит летом, когда вода имеет благоприятную температуру и в среде обитания достаточно пищи, а образование половых клеток в эктодерме — холодной осенью. Зимой взрослые особи погибают, но оставляют яйца: так весной появятся другие гидры.
Бесполое размножение гидры
Сначала в нижней части тела гидра появляется выпуклость — со временем ее размеры увеличиваются. По окончании роста здесь образовываются щупальца, а далее прорывается рот. Дочерняя особь после полноценного формирования наклоняется и зацепляется щупальцами за субстрат, в то время как гидра-мать отходит в обратную сторону и также удерживает себя за ближайший объект. Получается, что гидры, растягивая друг друга, разъединяются. В итоге щупальца выпрямляются и начинают смотреть вверх. Интересно, что при таком размножении не формируются колонии: гидры в этот сезон существуют одиночно.
Половое размножение гидры
Половые клетки, как мы рассказали ранее, образуются в эктодерме гидры в осенний период. В этом случае для размножения формируются яйца (нижняя часть тела) и специальные бугорки — мужские гонады (у ротовой полости). Начинают развиваться спермотозоиды с длинными жгутиками на концах, которые помогают перемещаться в воде для того, чтобы добраться до яйца и оплодотворить его. Далее зародыш покрывается защитной пленкой (чтобы не пострадать в холода) и перемещается на дно водоема. Окончательное «рождение» произойдет только весной.
Может ли гидра умереть?
Способность гидр восстанавливать «потерянные» части тела восхищает ученых уже не одно столетие. Однако регенеративные возможности гидр на самом деле оказались намного более сложными и удивительными — чем-то из области фантастики. По данным ученых из Калифорнийского университета в Беркли, это существо способно воссоздавать свое тело даже после того, как его прокрутили в мясорубке.

Даже если перемолоть гидру в мясорубке, то ее организм будет способен восстановиться почти полностью wildfauna.ru
Целью исследования, возглавляемого Ульрихом Течнау, было установить, до каких пределов распространяется регенеративная способность гидр. Самое удивительное то, что, пройдя ножи мясорубки, размельченной в пюре гидре достаточно было сохранившейся головы, и тогда ее тело гидры начинало формироваться заново. Голова отвечала за отправку непрерывных сигналов клеткам всего остального организма, приказывая им, в какое место они должны направиться, и в какую часть тела в конечном итоге превратиться.
Мало того, ученые выяснили, что после прокручивания через мясорубку небольшие агрегации клеток головы гидры рассеиваются по остаткам тела, и из них постепенно вырастают несколько новых независимых индивидуумов. Таким образом, животное не просто самовосстанавливалось, оно могло превратиться в несколько гидр. Эти необычные особенности делает гидру существом, которое практически невозможно уничтожить.
Они не умирают от старости, но умирают от болезней или в случае, если их съедают.
Андрей Сердечнов - техинсайдер - 06.04.23
Медузы — одни из самых древних животных на Земле. Они также могут похвастать невероятным разнообразием видов: ученые зафиксировали более 10 тысяч разновидностей медуз. Портал treehugger.com поделился самыми интересными фактами об этих необычных созданиях.

© Unsplash
Медузы могут быть старше динозавров
Медузы не имеют костей, из-за чего ископаемые окаменелости тяжело найти. Тем не менее, ученые нашли доказательства того, что эти создания плещутся в океанах планеты по меньшей мере 500 млн лет. А может и все 700 млн лет. Для контекста, это в три раза больше, чем возраст первых динозавров.
Медузы хорошо адаптируются к изменениям климата
В отличие от большинства морских животных, медузы процветают в воде несмотря на тепловые волны, окисление океана, злоупотребление рыболовным промыслом и другие факторы. Кораллы, моллюски и другие организмы, пользующиеся панцирями, больше всего страдают от окисления, тогда как медузы не так подвержены негативным эффектам.
По мере ухудшения климатического кризиса специалисты полагают, что популяция медуз будет меняться. По большей части, эксперты предсказывают появление дисбаланса между медузами и прочими животными. Например, из-за того, что медузы лучше выживают в водах с низкой концентрацией кислорода, скоро они могут сильно превысить объем планктона — их основного источника пищи.
Медузы на 98% состоят из воды
Человеческое тело на 60% состоит из воды, но для медуз эта цифра составляет 98%. Если животное попадет на берег, то оно может буквально исчезнуть за пару часов: их тела в прямом смысле слова испарятся в воздух. Медузы имеют рудиментарную нервную систему, но не обладают мозгом. Помимо этого, у них нет сердца; их желатиновые тела настолько тонкие, что клетки насыщаются кислородом при помощи диффузии.
У некоторых медуз есть глаза
Несмотря на простое строение тела, некоторые медузы обладают зрением, причем иногда весьма сложным. К примеру, кубомедуза имеет 24 «глаза» — и два из них могут различать цвета. Ученые также полагают, что комплексная цепочка визуальных сенсоров делает медузу одним из немногих животных на планете, обладающих 360-градусным зрением.
Некоторые медузы могут быть бессмертными
Медуза Turritopsis nutricula может обмануть смерть благодаря уникальному механизму клеточной трансдифференциации. При столкновении с угрозой клетки животного, по сути, полностью обновляются — именно поэтому данный вид получил прозвище «бессмертная медуза». Ученые изучают Turritopsis nutricula в попытке разобраться, способно ли «бессмертие» этой медузы помочь в борьбе с человеческим раком.
Они едят там, где и какают
Это может показаться не очень аппетитным, но медузы не используют отдельные отверстия для еды и испражнения. У них одно отверстие, которое выполняет функции и рта, и ануса. Медуза известна как простое или «примитивное» животное, и отсутствие у нее системы с двумя отверстиями, которая развилась в ходе эволюции, является тому доказательством.
Медузы — одни из самых смертоносных животных на планете
Каждый вид медузы имеет нематоцисты, или жалящие органы, но их мощность может сильно разниться в зависимости от конкретного вида. Самой ядовитой медузой в мире, скорее всего, является кубомедуза: она может убить человека за несколько минут, ужалив его всего один раз. Каждая кубомедуза содержит достаточно яда, чтобы убить более 60 человек. Кроме того, их жала невероятно болезненны: есть шанс, что болевой шок убьет жертву быстрее, чем яд.
Некоторые медузы съедобны
Вы вряд ли найдете их в меню многих ресторанов, но съедобные медузы считаются деликатесом в некоторых регионах, вроде Японии и Кореи. По факту, японцы превращают медуз в конфеты: сладко-соленую карамель, которая готовится из сахара, крахмальной патоки и порошка медузы. Таким образом Япония пускает в утилизацию медуз-вредителей в своих водах. Иногда их также подают в салатах, хрустящей лапше или просто с соевым соусом.
Мария Иванова - Рамблер - 14 марта 2024

Следующий этап эволюции начался, когда организмы вынуждены были вести активный образ жизни: быстро передвигаться и ориентироваться в сложных условиях. Двусторонняя симметрия как раз и обеспечивает более эффективное движение, поскольку благодаря этой особенности тело может двигаться по прямой линии, а не по кругу, как при радиальной симметрии.
Сила тяжести, изначально разделив тело на две части, предопределяет билатеральную симметрию у существ, решивших охотиться или удирать от хищника. Тем и другим понадобились скорость и внимание. Так и появилась ассиметрия по направлению перед- зад. При этом возникает дифференциация тела не только на передний и задний отделы, а брюшную и спинную стороны. Та часть тела, которая находится впереди, становится более значимой. Спереди находится рот, чтобы успеть ухватить добычу. Сюда "перемещаются" все органы чувств, а заодно и нервные узлы, которые анализируют полученную от органов чувств информацию. Всё это обычно располагается на отдельном участке тела — голове.

А вот симметрию между левой и правой сторонами эволюция не затронула. Она позволяет специализироваться частям тела, таким как конечности, глаза и уши, которые могут использоваться для определённых функций. Симметрия дублировала подобные части тела, что было весьма полезно. Использовать два глаза и два уха более эффективно для обнаружения раздражителей во внешней среде и реагирования на них. Что особенно важно для животных, которым необходимо обнаружить хищников или добычу. Что касается асимметрии внутренних органов, то она появилась из-за их чрезмерного усложнения.
Сравнительная анатомия свидетельствует о том, что у всех современных видов с двусторонней симметрией наверняка был общий предок. Который появился до массового появления билатеральных животных. До кембрийского взрыва, которых произошёл около 540 млн. лет назад. Это время рождения фауны, близкой к современной.
Жизнь в кембрийских океанах северного Китая в представлении художника. Все представленные здесь организмы появились в результате кембрийского взрыва
Кембрийский взрыв (англ. Cambrian explosion, Cambrian radiation, Cambrian diversification), взрыв скелетной фауны, реже Большой Биологический взрыв (англ. Biological Big Bang) — резкое увеличение количества ископаемых остатков живых существ в отложениях начала кембрийского периода (около 538,8 млн лет назад). В отложениях предыдущих времён (докембрий) следы существования животных встречаются намного реже.
Именно в кембрии в палеонтологической летописи появляются останки животных многих типов, в частности, хордовых, членистоногих, уверенно опознаваемых моллюсков и иглокожих. Это может свидетельствовать о внезапном увеличении биоразнообразия либо о появлении у большого числа организмов минерализованных структур (раковин, экзоскелетов), хорошо сохраняющихся в ископаемом состоянии.
Важнейшим фактором кембрийского взрыва была так называемая скелетная революция — появление у организмов экзоскелета, что во многом связано с фиксацией нового типа отношений в природе: «хищник — жертва». Собственно, первые достоверные следы хищничества известны ещё из позднего эдиакарского периода, к этому же времени относится и появление в палеонтологической летописи первых живых организмов с минерализованным наружным скелетом, предназначенным для защиты. Однако в кембрии эти новые принципы взаимоотношений между животными распространяются повсеместно, на их основе начинают строиться все основные экосистемы. В результате начинается новый виток эволюции, связанный с выработкой приспособлений к хищничеству и защите от хищников.
Причиной Кембрийского взрыва назвали смену магнитных полюсов

Кембрийский взрыв обозначил переход жизни к настоящему многобразию и сложности.
Kunstformen der Natur, Ernst Haeckel, 1899-1904
Крупнейший скачок в сложности и разнообразии живые организмы совершили около 550 миллионов лет назад. В эпоху Кембрийского взрыва жизнь на Земле приобрела привычные нам очертания, но причину его мы не знаем до сих пор. Ученые из России и США выдвигают новую версию, «виня» во всем глобальное магнитное поле планеты. Статью с изложением гипотезы публикует журнал Gondwana Research.
Кембрийский взрыв стал одним из самых значительных эволюционных скачков в масштабах всей земной биосферы. Миллиардами лет до него жизнь оставалась мягкотелой, малоподвижной и была представлена, в основном, одноклеточными организмами, водорослями и бактериальными матами. Однако около 540 миллионов лет назад произошел резкий прорыв сразу по нескольким направлениям: появились животные с экзоскелетом, довольно развитым зрением, способные копать и активно двигаться — предки современных моллюсков, членистоногих, хордовых и т.д.
Причины Кембрийского взрыва биоразнообразия остаются неясными, и для объяснения ему выдвигаются самые разные гипотезы: появление полового размножения или билатеральности; резкое похолодание климата или раскол суперконтинента Родинии, открывший множество прежде не существовавших экологических ниш; развитие отношений «хищник — жертва» или накопление в атмосфере такой концентрации кислорода, которое позволило быстро развивать многоклеточность и специализацию. В своей новой публикации старший научный сотрудник Геологического института РАН Михаил Баженов и его коллеги выдвигают новую версию.
Авторы отмечают, что задолго до Кембрийского взрыва происходило необычно активное движение тектонических плит, которое регистрируется начиная с 600 миллионов лет назад. Некоторые палеогеологи связывают это с повышенной активностью глобального магнитного поля Земли, которое вовлекало в движение и мантию, и лежащие на ней плиты. И действительно, существует масса свидетельств тому, что в ту эпоху геомагнетизм был не столь «устоявшимся», и смены магнитных полюсов планеты случались на порядок чаще. Так, исследования минералов южноуральского разреза Зиган, датированных примерно 550 миллионами лет назад, указывают на 24 смены полюсов, произошедших за миллион лет, против 2–3 за тот же срок в современную эпоху.
Такая гиперактивность геомагнитного поля могла ослаблять дипольный магнитный момент Земли, в результате чего магнитопауза — граница, на которой поле останавливает поток заряженных частиц из космоса — оказывалась намного ближе к поверхности планеты. Сегодня она находится далеко за пределами атмосферы, примерно в 10-ти радиусах Земли. Однако, как указывают Баженов с соавторами, в моменты смены магнитных полюсов граница магнитосферы может снижаться до 1,3–1,8 радиуса.
В результате прилетающие от Солнца частицы не успевали отклониться магнитосферой и могли взаимодействовать с верхними слоями атмосферы. Свой вклад вносило и космическое излучение: содержание озона в верхних слоях атмосферы могло резко упасть, при некоторых условиях — на целых 40 процентов, а в приполярных регионах и на 80 процентов. Между тем, 40—процентное падение вдвое повышает уровень опасного для живых организмов ультрафиолетового излучения у поверхности Земли.
Впрочем, биологические эффекты ультрафиолета проявляются и при меньшем ослаблении озонового слоя. Недаром ученые замечают, что Кембрийскому взрыву предшествовал серьезный биосферный кризис и вымирание «мягкотелых» представителей эдиакарской фауны 550–542 миллионов лет назад. Именно ультрафиолет мог поставить жизнь под серьезную угрозу и, если новая гипотеза верна, потребовал новых быстрых адаптаций.
Вертикальные миграции сине-зеленых водорослей в толщу бактериальных матов обеспечили более глубокое насыщение их кислородом. Следом за водорослями могли «потянуться» питающиеся ими подвижные организмы, которые научились «закапываться». Стало быстро развиваться светочувствительное зрение и подвижность. Появилось хищничество, а затем раковины и экзоскелеты, дававшие защиту и от нападения, и от ультрафиолета. Нововведения имели синергический эффект: многие из них позволили живым организмам быстро занимать освободившиеся экологические ниши и осваивать новые.
Роман Фишман - N+1 - 17.02.16
Как возникло разнообразие жизни — новое объяснение причин Кембрийского взрыва
Жизнь на грани кислородного голодания: ранним морским существам приходилось справляться с экстремальными колебаниями уровня кислорода.
Представьте мир, в котором уровень кислорода, необходимого для жизни, резко меняется днем и ночью. Днем его много, а вот ночью почти нечем дышать. Это именно то, с чем столкнулись ранние формы жизни в морях и океанах около полумиллиарда лет назад. И именно в это время и произошел всплеск разнообразия животных, известный как «Кембрийский взрыв».
Новое исследование, опубликованное в Nature Communications, предполагает, что в этом драматическом периоде эволюции ключевую роль сыграли резкие колебания уровня кислорода, пишет Conversation.
В течение десятилетий ученые спорили о том, что послужило толчком для этого эволюционного прорыва. Многие указывали на долгосрочные изменения в атмосфере — общее повышение уровня кислорода. Однако в последние годы такая точка зрения подвергается сомнению. Авторы нового исследования указывают на другой фактор.
Ежедневные изменения уровня кислорода на морском мелководье, возможно, усложняли жизнь ранних животных (предков всех современных), побуждая их адаптироваться и таким образом способствовали разнообразию.
Ученые использовали компьютерную модель, которая имитирует условия на солнечном морском дне. Она учитывает химию разных живых организмов, а также температуру, солнечный свет, разные типы осадков и воды. Авторы показали, что на теплом мелководье водах в Кембрийскую эпоху уровень кислорода мог резко колебаться между днем и ночью. При этом в целом его уровень был ниже, чем сегодня.
Днем, благодаря фотосинтезу морских водорослей, производилось много кислорода. Однако ночью фотосинтез прекращался из-за отсутствия света, и водоросли, используя кислород для клеточных функций, быстро поглощали его, что приводило к аноксии. Эти ежедневные изменения уровня кислорода давали интенсивные физиологические испытания для ранних животных. Экстремальные условия часто оказываются катализатором эволюционных инноваций, способствуя развитию специализированных черт, повышающих адаптацию.
Адаптации, которые помогли выжить в быстро меняющихся условиях, передавались по наследству, способствуя развитию более сложных форм жизни. Ключевой адаптацией тогда могла стать способность эффективно обнаруживать и реагировать на колебания кислорода. Она регулируется клеточной системой контроля HIF-1α. Клеткам современных животных она помогает обнаруживать и адаптироваться к изменениям количества кислорода. Это очень влияет на энергетический обмен и координацию функций клетки.
НаукаТВ - 25.03.25
Палеонтологические находки билатеральных животных, предшествующие кембрийскому взрыву, немногочисленны и статус многих из них спорен. Основным кандидатом на самых ранних билатерий является икария (лат. Ikaria wariootia), найденная в отложениях возрастом около 555 млн. лет. Это животное передвигалось в тонких слоях ила на дне океана, подобно тому, как дождевые черви движутся в почве за счёт сокращения мышц. И это в то время, когда другие существа эдиакарского периода неподвижно лежали на дне, икария была одним из самых активных животных. Она, обладая формой небольшого червя размером с рисовое зерно, имела рот и задний проход, соединённый кишечником. Это крошечное существо ползало по дну, поедая и переваривая органические отложения.

Большинство ученых предполагают, что именно икария является первым существом, строение тела которого обладало двусторонней симметрией. Такая структура организмов оказалась настолько успешной с эволюционной точки зрения, что сохранилась на протяжении сотен миллионов лет. Эта особенность досталась первым земноводным, а потом передалась динозаврам, обезьянам и, в конечном итоге, нам. Так что икария может смело претендовать на роль предка большинства существующих сегодня живых существ. Икария (или подобное существо) проложила путь к телесной двусторонней симметрии, которой мы теперь так восхищаемся, что даже приписываем ей божественное происхождение.
Ольга - 11.12.23
Удивительное дело.. методы работы с информацией тоже имеют свойство эволюционировать, поэтому в рамках информационной симметрии имеет смысл дополнить нарисованную картинку ещё одной познавательной статьей. Наполнить собранный образ объемом, так сказать... ))
Настоящие радиолярии – это представители трех групп, Collodaria, Nassellaria и Spumellaria, которых объединяют в тип (подтип или класс) Polycystina. Все они – обитатели морей, скелет которых состоит из кремнезема. Красота этих форм была открыта миру Геккелем, который изображал радиолярий подчеркнуто правильно и симметрично. Стремление Геккеля к поиску совершенных геометрических форм понятно, т.к. красота и гармония в сознании людей тех времен все еще были неразрывно связаны с симметрией. Хаос как неотъемлемая часть природы вошел в умы ученых много позже…

Я уже писал, что, исходя из закона Пьера Кюри, симметрия живого объекта будет отражать симметрию среды, в которой он обитает (+ его образ жизни) http://olnud.livejournal.com/47057.html . Все радиолярии живут в толще океана, часто на больших глубинах, но, тем не менее, в каждом горизонте мы можем встретить формы с РАЗНЫМ типом симметрии – полиаксонным, ставраксонным, радиальным, билатеральным и даже вращательным.

Если исходить из принципа Беклемишева упрощения симметрии, эволюция симметрии радиолярий шла от сферы к тетраэдру и иным «обедненным» формам. Но на деле мы наблюдаем несколько иную картину: у большинства радиолярий, в том числе палеозойских, в основе скелета находится трехосная структура – в идеале это тетраэдр. Примечательно, что на Всемирной выставке в Париже в 1900 г. по мотивам именно таких радиолярий был сооружен большой павильон.

В 1997 г. специалист по ископаемым радиоляриям С.В.Точилина выпустила почти никем не замеченную книгу «Проблемы систематики Nassellaria. Биохимические особенности. Эволюция». В ней она высказала неожиданную гипотезу, согласно которой четырехосная базисная структура в скелете радиолярий – это макрокопия тетраэдрической кристаллической структуры оксида кремния. Это означало, что основа скелета Nassellaria и некоторых Spumellaria – микрокристалл (один, два или более), который по мере роста все больше и больше уклоняется от идеальной формы. Нарушение идеальности объясняется примесями, которые становились все более и более ощутимыми по мере насыщения моря микроэлементами. Фактически Точилина перенесла идеи «кристаллической» эволюции Лима де Фариа на конкретный объект. Доказательством ее правоты может быть то, что 1) у акантарий и феодарий, имеющий иную химическую структуру скелета, трехосные структуры не встречаются, 2) кремневые спикулы 4-лучевых губок также имеют тетраэдрическую основу. Однако всё это очень «неправильно», не в духе СТЭ и уязвимо для критики. Но хотелось, чтобы знали, что есть и такая гипотеза.
olnud - ЖЖ - 2013.01.03
А что такое вообще объем в информационном пространстве? Хорошо ли у нас получается масштабировать информацию в разные соразмерности, погружаться в details и крутить её под разными углами восприятия? Что нам это даёт?
Вопрос информационной симметрии в интернете не раскрыт, и все что там есть к текущему моменту - это информационная асимметрия, что специалистами считается неким багом, который можно сравнить с потерей пакетов данных при передаче, а в нашем случае - при обработке информации. И это, конечно, есть серьезная проблема в век информационных технологий и стремительного развития информационного поля в котором мы существуем.
Почему это важно? Ну хотя бы потому, что мысли человеческие, которые тоже по своему смыслу - информация, уже давно обрели свойство материализовываться в буквальном смысле.. через творческий акт. А поскольку мир у нас трехмерный, а не двумерный, то и чертежи, по которым происходит материализация идей, имеет смысл прорисовывать более детально - в разных информационно-временных плоскостях..
Как мне видится, навык этот в эволюционном смысле современным обществом будет доведён до автоматизма, и тут логично бы было в этот вектор развития встраиваться, не́жели ему противостоять.. С точки зрения сохранения и оптимального использования энергии уж точно.
С другой стороны, само понимание сути вещей - того самого информационного ядра, без объемного восприятия информации невозможно.. и в этом смысле понимание симметрии в разных своих вариациях вполне может оказаться хорошей отправной точкой для развития более совершенных навыков мышления.
Ниже более формально устами китайского ИИ
Эволюция восприятия информации: критическое мышление через детали и первопричины
Введение: симметрия как фундаментальный принцип
Симметрия — один из ключевых принципов организации информации в природе, науке и мышлении. В биологии она проявляется в строении организмов (радиальная, билатеральная симметрия), в физике — в законах сохранения, в математике — в инвариантности уравнений. Но симметрия информации — это не только форма, но и способ анализа: умение находить баланс между общим и частным, причиной и следствием, объективными закономерностями и субъективными интерпретациями.
В этой статье мы рассмотрим, как принципы симметрии, заимствованные из эволюции живой природы, могут стать основой для критического мышления, требующего глубокого погружения в детали и выхода за рамки поверхностных суждений.
1. Эволюция симметрии в природе: от простого к сложному
В живой природе симметрия развивалась как адаптивный механизм:
- Радиальная симметрия (медузы, морские звёзды) — примитивная, но эффективная для статичной среды.
- Билатеральная симметрия (насекомые, млекопитающие) — усложнение в ответ на необходимость движения и взаимодействия с миром.
- Асимметрия (сердце, мозг) — нарушение симметрии как признак специализации.
Аналогично, в информации:
Простые симметри — бинарные суждения ("правда/ложь"), линейные причинно-следственные связи.
Сложные симметрии — многомерные модели, где одна причина может порождать несколько следствий, а одно явление — иметь несколько интерпретаций.
Нарушенные симметрии — когнитивные искажения, пропаганда, манипуляции данными, требующие критического анализа.
Вывод: Чем сложнее система, тем менее очевидна её симметрия, и тем важнее изучать её структуру на глубинном уровне.
2. Симметрия информации: баланс между деталями и обобщением
Критическое мышление требует умения видеть скрытые смыслы — закономерности, которые неочевидны на первый взгляд. Для этого необходимо:
Погружаться в детали — искать первопричины, а не довольствоваться поверхностными объяснениями.
Сравнивать разные уровни абстракции — как радиально-симметричный организм можно описать и как целое, и как совокупность клеток, так и информацию можно анализировать на микро - и макроуровнях.
Нарушать шаблоны — сознательно искать асимметрии (противоречия, исключения), чтобы проверить устойчивость модели.
Пример:
Мифы и ложные нарративы часто основаны на упрощённых аналогиях ("все политики врут", "наука всегда права"). Критический анализ требует разложения таких утверждений на составляющие:
- Источник информации
- Какие конкретные случаи подтверждают или опровергают тезис?
- Есть ли системные причины явления или это случайность?
- Какие альтернативные объяснения возможны?
3. Выход за рамки субъективных суждений: симметрия как инструмент объективности
Субъективное восприятие искажает информацию, создавая асимметрию интерпретаций. Чтобы минимизировать это, можно использовать принципы симметрии:
Симметрия аргументов — рассмотрение противоположных точек зрения перед формированием вывода.
Симметрия масштабов — анализ явления на разных уровнях (личный опыт, статистика, исторический контекст).
Симметрия времени — проверка, сохраняется ли закономерность в разных временных отрезках.
Пример из науки:
Теория Дарвина возникла не из простого наблюдения за природой, а из анализа нарушенных симметрий — почему виды изменяются, а не остаются статичными? Почему одни признаки сохраняются, а другие исчезают? Только погружение в детали (генетика, экология) позволило выйти за рамки субъективных представлений о "неизменности видов".
Заключение: симметрия информационного восприятия как навык будущего
В эпоху переизбытка данных критическое мышление — это способность видеть глубинные смыслы и осознанно работать с асимметриями. Это требует:
1. Анализа первопричин, а не следствий.
2. Поиска скрытых структур за кажущимся хаосом.
3. Отказа от бинарного мышления в пользу многомерных моделей.
Как эволюция биологической симметрии привела к разнообразию жизни, так и эволюция информационной симметрии может привести к более точному, гибкому и объективному мышлению.
Истина часто лежит не в середине между крайностями, а в понимании их взаимосвязей.
DeepSeek
Получилось топорно, возможно даже заслуживает критики в каких-то моментах, но финальная мысль лично мне очень даже понравилась. Думаю, она заслуживает отдельного внимания для понимания темы..
Истина часто лежит не в середине между крайностями, а в понимании их взаимосвязей
DeepSeek
Информацию в отличии от материальных объектов следует всегда воспринимать комплексно, без отрыва от контекстов в которых она существует. Такой подход тянет за собой и ещё один вполне очевидный вывод — об общей взаимосвязности, где само информационное поле можно уже рассматривать как вполне материальный объект.
Из материалов по теме:
- О картах, которые не изучают в школе. Часть I - 24 марта 2025
- О картах, которые не изучают в школе. Часть II - 8 декабря 2022
- Психологи проверили, связано ли восприятие двояких картинок с чертами личности - 8 марта 2025
- фотограмм - 27 мая 2024




Комментарии
Ну, положим, абсолютной симметрии и нет - сердце пока одно, и печень, к сожалению, тоже. Но как способ сжатия информации - хороший способ.
Сердце оно одно, потому что подразумевается, что вы когда-нибудь найдете к нему вторую половинку.. )
Ну и печень вам на это тоже не двусмысленно указывает: бухать в одно рыло - зло.
Да, там трилатераль бывает
Да, один из законов симметрии ;)
А втроём?
Это уже закон равнобедренного треугольника, тоже против него никак не попрёшь = все углы одинаковы, опять же симметрия - наливать всем поровну нать..
С эволюционной точки зрения лучше рассматривать равносторонний... )
Возможно. Жаль, старик Дарвин, не может присоединиться к нам для решения этой задачки из занимательной геометрии..
Главное, по-итогу, придти к согласию, что: "Треугольник будет выпит. Будь он параллелепипед, будь он круг, едрена вошь!" (с).
"Ну, за понимание!" (с).
человек не обладает абсолютной симметрией, по той причине, что он не шарик.
Даже смешарики не абсолютно симметричны.
Погрузился в изучение анатомии сейчас, возможно, зря вы на симметрию наговариваете. С учётом развесовки вполне таки может быть и "абсолютная"
Очевидно, что при нарушении развесовки не может быть симметрии конечностей и тд
Как-то можно этот закон к устроению социальной жизни применить?
Точная визуальная симметрии между правой и левой половинами тела, скорее всего, связанна с эволюционным отбором наиболее здоровых половых партнёров. Мы замечаем даже незначительные нарушения передней симметрии организмов и чаще именно по ним отличаем одну особь от другой (поэтому отражение лица в зеркале выглядит несколько непривычным). Давно известно, что симметричные лица более привлекательны, потому что это один из признаков, указывающих на отсутствии серьёзных сбоев в генетической наследственности. Расположение внутренних органов визуально не определяется и потому не сильно повлияло на отбор. А вообще, фракталоподобные структуры и геометрия платоновых тел связанны с математикой и физикой волновых энергетических процессов, а также с механизмами возникновения неких "сЛУЧАйностей".
Плоско мыслите.. )) симметрия - это общий признак живой природы. Не только животных. Асимметрии внутренних органов связана с усложнением системы, появлением новых мерностей симметрии (расположение сердца с той самой печенью - это уже следствие весовой симметрии)
Тут не совсем понял, что вы имеете ввиду.. платоновы тела - это форма выражения мысли о гармонии и связности. Иносказательное трактование смыслов. В математике нет времени, поэтому появилась физика..
В целом же общее у всех ваших упоминаний есть одна общая черта - динамика изменений. И в этом смысле симметрия имеет к этому процессу прямое отношение.
Плоско мыслите здесь только вы, а ещё невнимательно читаете. Во-первых, симметрия присуща всем фракталоподобным структурам, а не только проявлениям органической жизни (о чём выше я и упомянул, говоря в контексте общего разговора о симметрии). Также я сказал, что все эти структуры — есть следствие волновых энергетических процессов, которые лежат в основе любых физических проявлений или материальных тел. А во-вторых, вы не замечаете противоречия в своих собственных словах, когда говорите про какую-то "весовую симметрию", хотя там нет геометрической симметрии, а есть обычное распределение веса, т.е. распределение масс различных половин тела, относительно их общего центра масс. Я же вёл речь о визуальной, т.е. геометрической симметрии, которая выглядит для живых организмов более привлекательной. Вообще, по данному вопросу есть довольно интересная книга: "Древняя Тайна Цветка Жизни". Хотя эзотерических отклонений от главной темы в ней тоже хватает.
Да, я понял о чем вы говорили.. человеку нравится симметрия - это бесспорно. Вероятно потому, что мы её постоянно наблюдаем в живой природе. Но сама мысль о том, что симметрия эволюционно сформировалась в результате любви к симметрии звучит немножечко странно. Я склонен думать, что это просто закон развития живой природы. На каком уровне он реализован - это интересный вопрос.
Формализм это конечно хорошо, но сути это не меняет. Просто ещё одна мерность в которой соблюдается тот же смысл.
Все, между чем можно поставить знак равенства в рамках здравого смысла, можно наделить свойствами симметрии. И даже там, где сегодня этой симметрии не наблюдается, можно её сформировать... кмк, хорошее направление развития в борьбе с энтропией... Идея проверена эволюцией длинною в несколько миллиардов лет.
Симметрия - очень нужное свойство, оно позволяет сильно сократить объём переносимой информации. Ну примерно, как при переносе из растровой в векторную графику - то же самое.
Чем вам всем навредила энтропия? Это предельный случай самого сложного порядка.Это вы её так просто называете мерой хаоса, но хаоса нет, это очень сложный порядок, который вам считать лень.
Да, точно.. хотел её сначала обозвать абсолютной симметрией... "куда не посмотри: хоть в высь - бесконечно большое, хоть вниз - бесконечно малое" )) но пока у нас есть деление на живое и неживое, не все поймут эти аналогии. Сегодня философия трактует живое как главного борцуна с энтропией.
Вряд ли. Живое производит энтропию как не в себя.
С учётом развесовки и антиматерия с материей совпадают. Но тогда бы и нас таких не было.
Статья не отвечает на очевидный вопрос - каким способом разрушается изначальная (в яйцеклетке) билатеральная симметрия? На входе симметричная икария, на выходе частично симметричные слоны, люди и тд. В результате вместо чтива для взрослых людей получаем научпоп для 10летних детей.
Абсолютно согласен.. на очевидные вопросы не отвечает.. Да и вообще, заявлять о том, что опарыш - это прародитель человека, это полный абсурд!
Кстати, тоже интересное наблюдение по теме..
Причём разные ткани (мозг, печень, кожа и тд) обновляются с разной скоростью
Да бог с Вами. Бластуляция-гаструляция-нейруляция. Эмбриональное развитие расписано уже в мельчайших подробностя.
А где конкретно записано нарушение симметрии в программе эмбрионального развития?
Нет никакого нарушения, только смены вариантов симметрии, которая ослабляет вожжи где-то между гаструляцией и нейруляцией. Или сразу после нейруляции?.. Честно говоря, не помню уже, когда там начинают паринхимозные органы из эндодермы закладываться. Давно изучал это дело.
А какая симметрия у расположения сердца и каким способом эта симметрия получилась из зеркальной?
Сердце - это глубокое развитие системы синусов и клапанов на одном из участков вполне симметричной в тот момент кровеносной системы. Это ещё у личинки туникат что-то такое, в чём сложно было бы тогда угадать будущее четырёх камерное сердце.
Подушню: двусторонняя симметрия ещё у восьмилучевых кораллов появляется. Мышечные валики септ у них сориентированы в вентральную полость. А у позвоночных радиальная симметрия вполне себе продолжает соседствовать с билатеральной (архаическая мускулатура, всякие клапаны, сфинктеры и т.д.).
Да, тоже интересная тема.. спасибо